产品概述
气动对夹式硬密封蝶阀采用精密的J形弹性密封圈和三偏心多层次金属硬密封结构,被广泛用于介质温度≤425℃的冶金 、电力、石油化工以及给排水和市政建设等工业管道上,作调节流量和载断流体使用。该阀采用三偏心结构,阀座与碟板密封面均采用不同硬度和不锈钢制作,具有良好的耐腐蚀性,使用寿命长,本阀具有双向密封功能。
产品特点
1、本阀采用三偏心密封结构,阀座与蝶板几乎无磨损,具有越关越紧的密封功能。
2、密封圈选用不锈钢制作,具有金属硬密封和弹性密封的双重优点,无论在低温和高温的情况下,均具有优良的密封性能,具有耐腐蚀、使用寿命长等特点。
3、蝶板密封面采用堆焊钴基硬质合金、密封面耐磨损、使用寿命长。
4、大规格蝶板采用绗架结构,强度高、过流面积大、流阻小。
5、本阀具有双向密封功能,安装时不受介质流向的限制,也不受空间位置的影响,可在任何方向安装。
6、驱动装置可以多工位(旋转90°或180°)安装,便于用户使用。
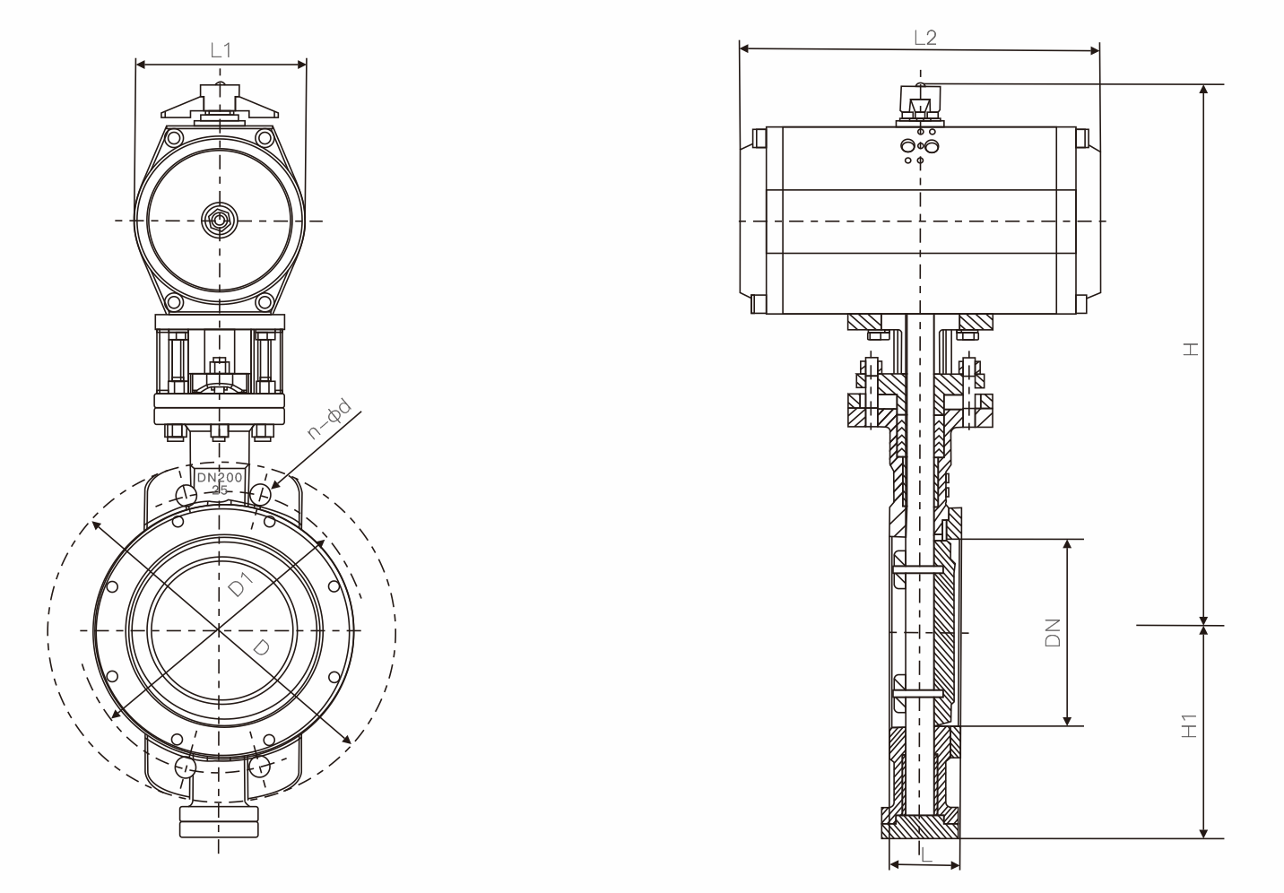
主要连接尺寸
|
公称通经(DN) |
主要尺寸 | 法兰尺寸和螺栓规格 | |||||||
| 1.0MPa | 1.6MPa | 2.5MPa | |||||||
| L | H | H1 | D1 | 4-ФM | D1 | 4-ФM | D1 | 4-ФM | |
| 50 | 43 | 350 | 112 | 125 | Ф18 | 125 | Ф18 | 125 | Ф18 |
| 65 | 46 | 370 | 115 | 145 | Ф18 | 145 | Ф18 | 145 | Ф18 |
| 80 | 49 | 380 | 120 | 160 | Ф18 | 160 | Ф18 | 160 | Ф18 |
| 100 | 56 | 420 | 138 | 180 | Ф18 | 180 | Ф18 | 190 | Ф23 |
| 125 | 64 | 460 | 164 | 210 | Ф18 | 210 | Ф18 | 220 | Ф27 |
| 150 | 70 | 555 | 175 | 240 | Ф23 | 240 | Ф23 | 250 | Ф27 |
| 200 | 71 | 605 | 208 | 295 | M20 | 295 | M20 | 310 | M24 |
| 250 | 76 | 680 | 243 | 350 | M20 | 355 | M24 | 370 | M27 |
| 300 | 83 | 800 | 283 | 400 | M20 | 410 | M24 | 430 | M27 |
| 350 | 92 | 835 | 310 | 460 | M20 | 470 | M24 | 490 | M30 |
| 400 | 102 | 915 | 340 | 515 | M24 | 525 | M27 | 550 | M33 |
| 450 | 114 | 960 | 380 | 565 | M24 | 585 | M27 | 600 | M33 |
| 500 | 127 | 1020 | 410 | 620 | M24 | 650 | M30 | 660 | M33 |
| 600 | 154 | 1225 | 470 | 725 | M27 | 770 | M33 | 770 | M36 |
| 700 | 165 | 1355 | 550 | 840 | M27 | 840 | M33 | 875 | M39 |
| 800 | 190 | 1470 | 640 | 950 | M30 | 950 | M36 | 990 | M45 |
| 900 | 203 | 1545 | 710 | 1050 | M30 | 1050 | M36 | 1090 | M45 |
| 1000 | 216 | 1795 | 770 | 1160 | M33 | 1170 | M39 | 1210 | M52 |
| 1200 | 254 | 1965 | 890 | 1380 | M36 | 1390 | M45 | 1420 | M52 |