对夹中线蝶阀流道均为全衬弹性橡胶,碟板采用不锈钢,碟板与密封接触面部位经过精细研磨确保光滑性。使蝶阀在关闭或开启时碟板无间隙的紧贴着弹性橡胶,具有可靠的密封性。
技术标准
1、作为管路中调节或截断介质的设备。产品特征
1、减小转动力矩,支撑阀杆,并使其与阀体有效分离,减小阀杆的磨损。10、适用于手柄控制装置(DN50~300),蜗轮蜗杆、电动及气动控制装置。
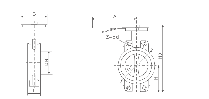
主要连接尺寸
|
公称通径 (DN) |
L | D1 | D | z-φd | H | H0 | A | B |
| 50 | 43 | 125 | 165 | 4-18 | 63 | 315 | 180 | 65 |
| 65 | 46 | 145 | 185 | 4-18 | 70 | 330 | 180 | 65 |
| 80 | 46 | 160 | 200 | 8-18 | 83 | 390 | 245 | 72 |
| 100 | 52 | 180 | 220 | 8-18 | 105 | 431 | 245 | 72 |
| 125 | 56 | 210 | 250 | 8-18 | 115 | 455 | 245 | 72 |
| 150 | 56 | 240 | 285 | 8-22 | 137 | 626 | 355 | 93 |
| 200 | 60 | 295 | 340 | 8-22 | 164 | 720 | 350 | 93 |
| 250 | 68 | 350 | 395 | 12-22 | 206 | 800 | 550 | 350 |
| 300 | 78 | 400 | 445 | 12-22 | 230 | 860 | 600 | 350 |