产品概述
气动凸耳式中线蝶阀由凸耳式蝶阀和气动执行器两部分组成,气源驱动阀杆带动圆形蝶板作启闭件并随阀杆转动来开启、关闭和调节流体,从而实现现场作和远距离集中控制的要求。被广泛应用在化工、石油、造纸、消防管道、排水、污水、食品、供暖、燃气、船舶、水电、冶金、能源系统以及轻纺等行业。
产品特点
1、该阀小型轻便,容易拆装及维修,并可在任意位置安装。
2、结构简单、紧凑,90°回转开启迅速。
3、操作扭矩小,省力轻巧。
4、该阀流量特性趋于直线,调节性能好。
5、启闭试验次数多达数万次,寿命长。
6、密封件可更换,密封可靠达到双向密封,气体试验泄漏为零。
7、密封材料耐老化、耐腐蚀、可适用多种介质。

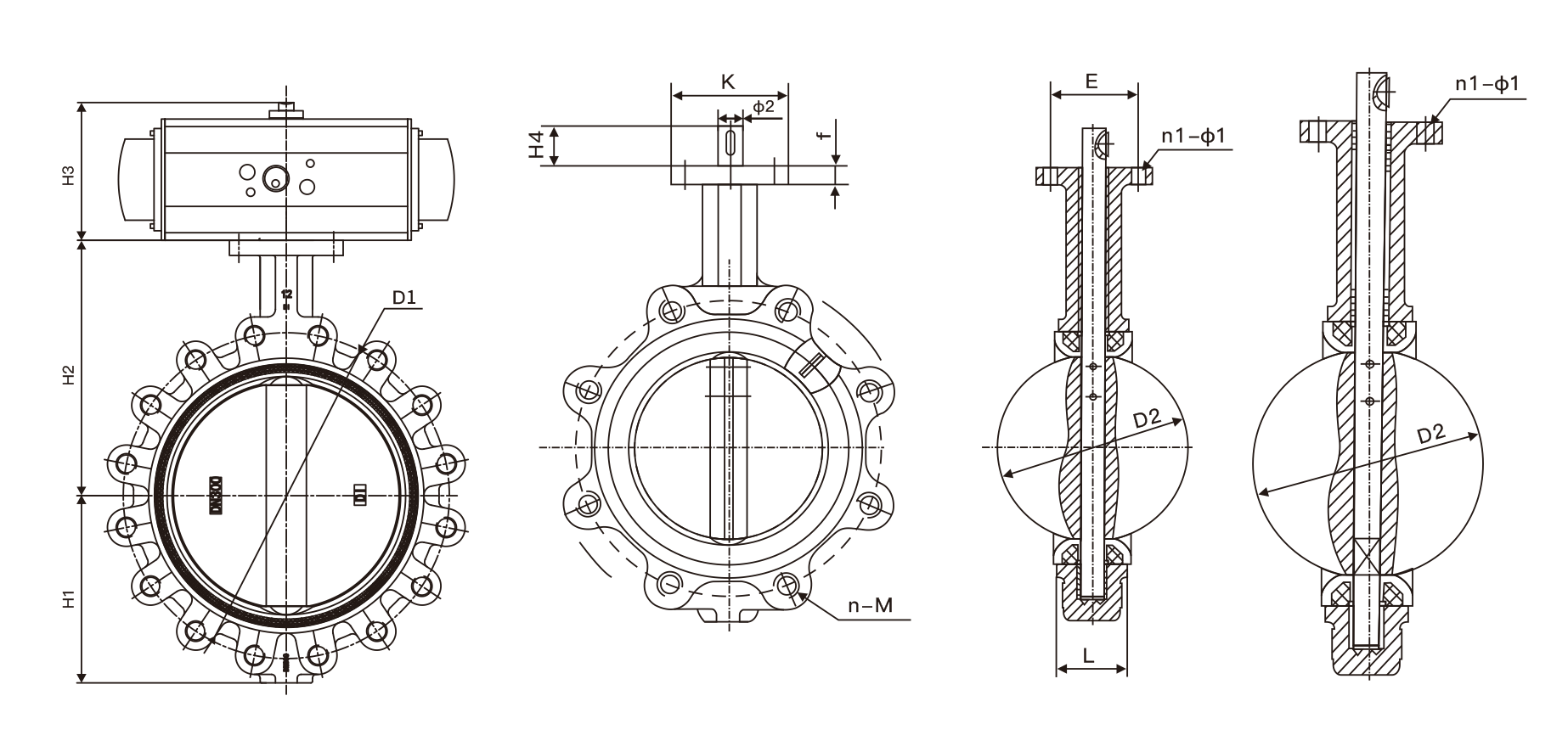
主要外形连接尺寸
|
公称通径 DN |
英寸 |
主要尺寸(mm) PN10/PN16 |
执行器尺寸 |
||||||
|
L |
D2 |
H1 |
H2 |
n-Φd |
A |
P |
B |
||
|
50 |
2 |
43 |
125 |
193 |
80 |
4-16 |
163 |
96 |
76 |
|
65 |
2-1/2 |
46 |
145 |
212 |
89 |
4-16 |
195 |
115 |
91 |
|
80 |
3 |
46 |
160 |
232 |
95 |
8-16 |
195 |
115 |
91 |
|
100 |
4 |
52 |
180 |
280 |
114 |
8-16 |
217 |
137 |
11 |
|
125 |
5 |
56 |
210 |
302 |
127 |
8-16 |
258 |
147 |
122 |
|
150 |
6 |
56 |
240 |
330 |
139 |
8-20 |
299 |
165 |
136 |
|
200 |
8 |
60 |
295 |
419 |
175 |
8-20/12-20 |
349 |
182 |
153 |
|
250 |
10 |
68 |
350/355 |
482 |
203 |
12-20/12-24 |
397 |
199 |
173 |
|
300 |
12 |
78 |
400/410 |
553 |
242 |
12-20/12-24 |
473 |
221 |
192 |
|
350 |
14 |
78 |
460/470 |
635 |
267 |
16-20/16-24 |
560 |
249 |
213 |
|
400 |
16 |
102 |
515/525 |
709 |
301 |
16-24/16-27 |
601 |
280 |
243 |
|
450 |
18 |
114 |
565/585 |
750 |
381 |
20-24/20-27 |
738 |
383 |
356 |
|
500 |
20 |
131 |
620/650 |
840 |
387 |
20-24/20-30 |
738 |
383 |
356 |
|
600 |
24 |
154 |
725/770 |
1021 |
457 |
20-27/20-33 |
940 |
434 |
415 |