产品概述
不锈钢内螺纹截止阀主要用来切断(或接通)管路介质,适用于化工等行业的硝类等场合。采用明杆支架式,螺栓连接阀盖结构,旋转升降阀杆和手轮、阀体、阀盖的设计经过严格的计算。具有强度、刚度和流通能力。阀盖上设计了上密封座,在全开状态下使填料密封更为可靠,并方便填料的更换。适用于石油、化工、冶金、电力、造纸、制药、食品、水处理、石油、化工、火力电站等各种工况的管路上,切断或接通管路介质。
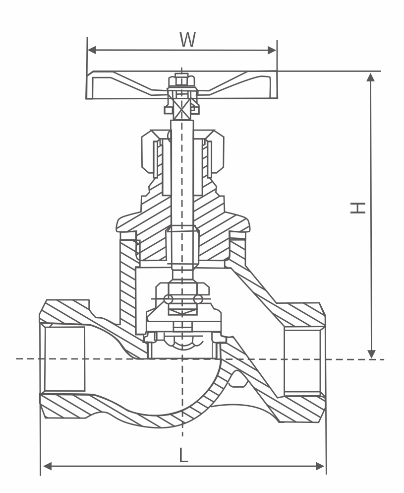
主要连接尺寸
|
NPS |
L |
W |
H |
|
1/2" |
87 |
63 |
97 |
|
3/4" |
97 |
72 |
103 |
|
1" |
117 |
72 |
110 |
|
1-1/4" |
135 |
97 |
142 |
|
1-1/2" |
163 |
98 |
167 |
|
2" |
188 |
126 |
182 |