角式截止阀是进出口通道不在同一方向上而成90°直角。流体通过阀门时会改变流体方向,因此会产生一定的压力降。角式截止阀是可以把阀门安装在管路系统的拐角处,既节约了90°弯头,又便于操作。被应用在化肥厂的合成氨生产系统中和天然气、化工、石化、石油、造纸、市政、机械设备配套、电子工业、城建等领域。
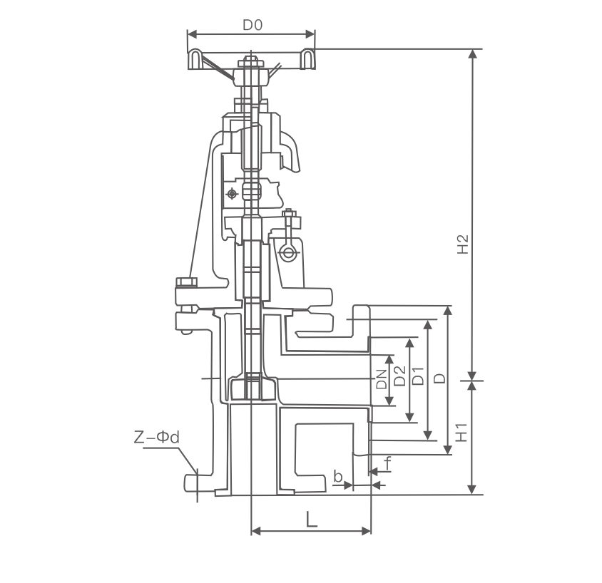
主要外形连接尺寸
|
DN(mm) |
L |
D |
D1 |
D2 |
b |
f |
Z-Φd |
D0 |
H1 |
H2 |
|
(J44H/Y/W -16/25C/P/R/L) |
||||||||||
|
25 |
160 |
115 |
85 |
65 |
18 |
3 |
4-14 |
100 |
220 |
236 |
|
32 |
180 |
135 |
100 |
78 |
18 |
3 |
4-18 |
120 |
251 |
273 |
|
40 |
210 |
145 |
110 |
85 |
20 |
3 |
4-18 |
140 |
283 |
306 |
|
50 |
230 |
160 |
125 |
100 |
20 |
3 |
4-18 |
160 |
316 |
344 |
|
65 |
290 |
180 |
145 |
120 |
22 |
3 |
4-18 |
180 |
353 |
383 |
|
80 |
310 |
195 |
160 |
135 |
22 |
3 |
8-18 |
200 |
437 |
479 |
|
100 |
350 |
215 |
180 |
155 |
24 |
3 |
8-18 |
240 |
479 |
529 |
|
125 |
400 |
245 |
230 |
180 |
26 |
3 |
8-18 |
280 |
542 |
608 |
|
150 |
480 |
280 |
240 |
210 |
28 |
4 |
8-18 |
320 |
605 |
680 |
|
200 |
600 |
335 |
295 |
265 |
30 |
4 |
12-23 |
360 |
650 |
755 |