产品概述
电动铸钢固定式球阀一般用于高压和大口径的各种管路上,采用上下阀杆固定阀芯(轴支式)和可动密封座设计,关闭时,在介质压力的作用下,球体不会产生位移,工作更稳定。通常与球体连接在一起的上下轴上,装有滚动轴承,或滑动轴承,以减少启闭时轴颈产生的摩擦力,减小操作力矩,在各行业得到广泛的应用。根据选用不同的材质,可分别适用于水、蒸汽、油品、液化气、天然气、煤气、硝酸、醋酸、氧化性介质、尿素等多种介质。

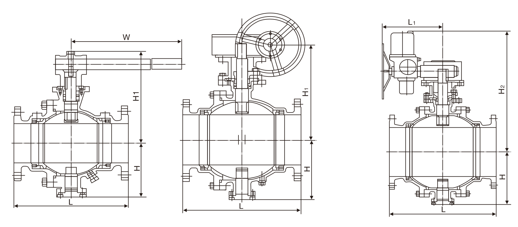
主要连接尺寸(PN1.6MPa)
|
公称通径DN |
25 |
32 |
40 |
50 |
65 |
80 |
100 |
125 |
150 |
200 |
250 |
300 |
350 |
400 |
450 |
500 |
600 |
700 |
|
|
d1 |
25 |
32 |
40 |
50 |
65 |
80 |
100 |
125 |
150 |
200 |
250 |
300 |
337 |
387 |
438 |
489 |
591 |
686 |
|
|
L |
165 |
180 |
190 |
216 |
241 |
283 |
305 |
356 |
394 |
457 |
533 |
610 |
686 |
762 |
864 |
914 |
1067 |
1245 |
|
|
H |
50 |
55 |
80 |
102 |
114 |
127 |
152 |
184 |
219 |
273 |
360 |
395 |
430 |
470 |
550 |
580 |
700 |
800 |
|
|
电动 |
H2 |
- |
- |
- |
- |
- |
- |
- |
- |
554 |
600 |
652 |
760 |
770 |
830 |
- |
940 |
940 |
1115 |
|
L1 |
- |
- |
- |
- |
- |
- |
- |
- |
235 |
235 |
235 |
259 |
400 |
400 |
- |
410 |
410 |
410 |
|
主要连接尺寸(PN2.5MPa)
|
公称通径DN |
25 |
32 |
40 |
50 |
65 |
80 |
100 |
125 |
150 |
200 |
250 |
300 |
350 |
400 |
450 |
500 |
600 |
700 |
|
|
d1 |
25 |
32 |
40 |
50 |
65 |
80 |
100 |
125 |
150 |
200 |
250 |
300 |
337 |
387 |
438 |
489 |
591 |
686 |
|
|
L |
165 |
180 |
190 |
216 |
241 |
283 |
305 |
381 |
403 |
502 |
568 |
648 |
762 |
838 |
914 |
991 |
1143 |
1346 |
|
|
H |
50 |
55 |
80 |
102 |
114 |
127 |
152 |
184 |
219 |
273 |
360 |
395 |
430 |
470 |
550 |
580 |
700 |
800 |
|
|
电动 |
H2 |
- |
- |
- |
- |
- |
- |
- |
- |
235 |
235 |
400 |
400 |
410 |
410 |
- |
420 |
690 |
690 |
|
L1 |
- |
- |
- |
- |
- |
- |
- |
- |
74 |
350 |
350 |
420 |
420 |
400 |
- |
400 |
410 |
650 |
|
主要连接尺寸(PN4.0MPa)
|
公称通径DN |
25 |
32 |
40 |
50 |
65 |
80 |
100 |
125 |
150 |
200 |
250 |
300 |
350 |
400 |
450 |
500 |
600 |
700 |
|
|
d1 |
25 |
32 |
40 |
50 |
65 |
80 |
100 |
125 |
150 |
200 |
250 |
300 |
337 |
387 |
438 |
489 |
591 |
686 |
|
|
L |
165 |
180 |
190 |
216 |
241 |
283 |
305 |
381 |
403 |
502 |
568 |
648 |
762 |
838 |
914 |
991 |
1143 |
1346 |
|
|
H |
50 |
55 |
80 |
102 |
114 |
127 |
152 |
184 |
219 |
273 |
360 |
395 |
430 |
470 |
550 |
580 |
700 |
800 |
|
|
电动 |
H2 |
- |
- |
- |
- |
- |
- |
- |
- |
235 |
235 |
400 |
400 |
410 |
410 |
- |
420 |
690 |
690 |
|
L1 |
- |
- |
- |
- |
- |
- |
- |
- |
74 |
350 |
350 |
420 |
420 |
400 |
- |
400 |
410 |
650 |
|
主要连接尺寸(PN6.4MPa)
|
公称通径DN |
50 |
65 |
80 |
100 |
150 |
200 |
250 |
300 |
350 |
400 |
500 |
600 |
700 |
|
|
d1 |
50 |
65 |
80 |
100 |
150 |
200 |
250 |
300 |
337 |
387 |
489 |
591 |
686 |
|
|
L |
292 |
330 |
356 |
406 |
495 |
597 |
673 |
762 |
826 |
902 |
1054 |
1232 |
1397 |
|
|
H |
114 |
124 |
133 |
159 |
250 |
294 |
395 |
445 |
500 |
530 |
660 |
800 |
900 |
|
|
电动 |
H2 |
- |
- |
- |
- |
554 |
574 |
731 |
771 |
867 |
802 |
979 |
1085 |
1148 |
|
L1 |
- |
- |
- |
- |
235 |
235 |
400 |
400 |
410 |
410 |
420 |
690 |
690 |
|