“O”型切断球阀小口径采用二片式球阀结构,大口径采用三片式球阀结构。阀体由主、副二部分组成,球芯采用全通径,额定流量系数大,流阻小。球芯表面采用特殊工艺进行硬化处理,使其表面光滑耐磨,阀座密封材料为碳纤维增强型聚四氟乙烯,阀座磨损小,密封优良,使用寿命长,具有极强的切断性能。执行机构选用高性能双活塞齿轮齿条结构或拨叉式结构,传动效率高,结构紧凑或电子式电动执行机构。该系列产品公称通径范围DN15~500mm(1/2”~20”),公称压力等级PN1.6~10.0MPa(150lb~600lb)。
产品特点
阀座限位结构(扭矩稳定):阀座密封圈合理预紧并限位,大大减小了操作扭矩;阀座底部设有弹簧,维持扭矩稳定;
阀杆防飞出设计(安全可靠):下装式阀杆,防止阀杆因介质压力过高而飞出,彻底消除了安全隐患;
防火设计(可在火烧后保持密封):软密封阀座采用带有密封面的不锈钢座包裹聚四氟乙烯密封圈组合式阀座,不锈钢座密封面和球体间有一小间隙。当聚四氟乙烯密封圈遇火烧毁时,浮动球体在介质压力作用下压向不锈钢座,同时依靠阀座底部弹簧作用,推动不锈钢座压向球芯,球体和不锈钢座密封面间形成密封;
防静电装置(可将静电引出):简便易装的防静电装置,使球体、阀杆和阀体始终连为一体,因开关导致密封面摩擦而产生的静电被引出;
标准执行器:气动、电动可互换。
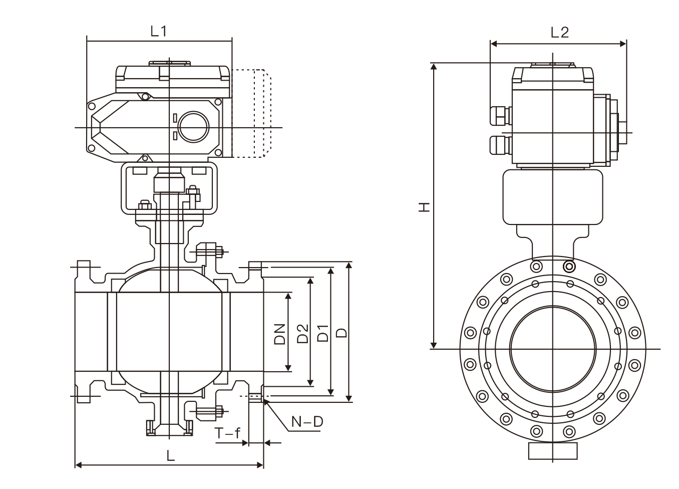
主要连接尺寸
|
公称通径 DN(mm) |
尺⼨(mm) |
||||||||
|
L |
L1 |
L2 |
H |
D |
D1 |
D2 |
b-f |
N-D |
|
|
50 |
178 |
190 |
170 |
290 |
165 |
125 |
102 |
18-3 |
4-18 |
|
65 |
190 |
270 |
220 |
330 |
185 |
145 |
122 |
18-3 |
8-18 |
|
80 |
203 |
270 |
220 |
345 |
200 |
160 |
138 |
20-3 |
8-18 |
|
100 |
229 |
270 |
220 |
355 |
220 |
180 |
158 |
20-3 |
8-18 |
|
125 |
356 |
270 |
220 |
385 |
250 |
210 |
188 |
22-3 |
8-18 |
|
150 |
394 |
270 |
220 |
405 |
285 |
240 |
212 |
22-3 |
8-22 |
|
200 |
457 |
270 |
220 |
430 |
340 |
295 |
268 |
24-3 |
12-22 |
|
250 |
533 |
270 |
220 |
465 |
405 |
355 |
320 |
26-3 |
12-26 |