产品概述
气动套筒调节阀是由多弹簧气动薄膜执行机构和低流阻精小型调节阀阀体组成,多弹簧执行机构高度低、重量轻、装备简便。阀体流道呈S流线型,具有结构紧凑、重量轻、动作灵敏、压降损失小、阀容量大、流量特性精确、维护方便等优点,可用于苛刻的工作条件。其配用电-气阀门定位或气动阀门定位器,可实现对工艺管路流体介质的自动调节控制。广泛应用于精确控气体、液体、蒸汽等介质的工艺参数如压力、流量、温度、液位等参数保持在给定值。
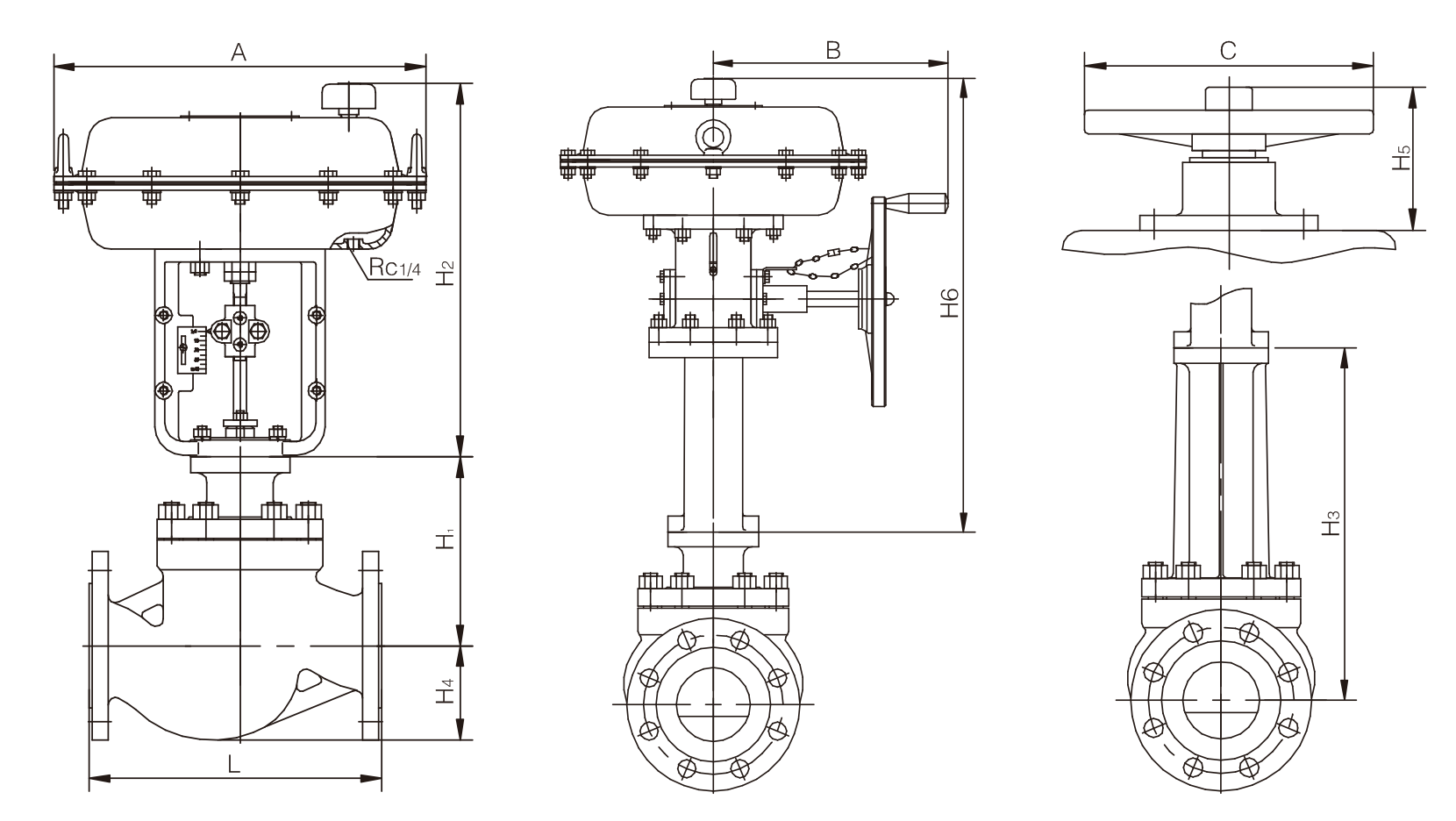
外形尺寸
|
DN |
20 |
25 |
32 |
40 |
50 |
65 |
80 |
100 |
125 |
150 |
200 |
|
|
H1 |
315 |
410 |
420 |
420 |
420 |
550 |
570 |
570 |
690 |
705 |
785 |
|
|
H2 |
55 |
60 |
70 |
75 |
80 |
90 |
105 |
120 |
140 |
150 |
200 |
|
|
H3 |
100 |
110 |
130 |
140 |
150 |
165 |
180 |
195 |
230 |
250 |
350 |
|
|
ФA |
310 |
395 |
500 |
|||||||||
|
L |
PN16 PN40 |
150 |
160 |
180 |
200 |
230 |
290 |
310 |
350 |
400 |
480 |
600 |
|
PN64 |
230 |
260 |
300 |
340 |
380 |
430 |
500 |
550 |
650 |
|||
|
D |
PN16 |
105 |
115 |
140 |
150 |
165 |
185 |
200 |
220 |
250 |
285 |
340 |
|
PN40 |
105 |
115 |
140 |
150 |
165 |
185 |
200 |
235 |
270 |
300 |
375 |
|
|
PN64 |
130 |
140 |
155 |
170 |
180 |
205 |
215 |
250 |
295 |
345 |
415 |
|
|
D1 |
PN16 |
75 |
85 |
100 |
110 |
125 |
145 |
160 |
180 |
210 |
240 |
295 |
|
PN40 |
75 |
85 |
100 |
110 |
125 |
145 |
160 |
190 |
220 |
250 |
320 |
|
|
PN64 |
90 |
100 |
118 |
125 |
135 |
160 |
170 |
200 |
240 |
280 |
345 |
|
|
b |
PN16 |
16 |
18 |
20 |
22 |
24 |
||||||
|
PN40 |
16 |
18 |
20 |
22 |
24 |
26 |
28 |
34 |
||||
|
PN64 |
20 |
22 |
24 |
26 |
28 |
30 |
32 |
36 |
38 |
44 |
||
|
n-d |
PN16 |
4-14 |
4-18 |
8-18 |
8-22 |
12-22 |
||||||
|
PN40 |
4-14 |
4-18 |
8-18 |
8-22 |
8-26 |
12-30 |
||||||
|
PN64 |
4-18 |
4-23 |
8-23 |
8-25 |
8-30 |
8-34 |
12-34 |
|||||
|
F1×D2 |
PN16 PN40 PN64 |
2×56 |
3×65 |
3×76 |
3×84 |
3×99 |
3×118 |
3×132 |
3×156 |
3×184 |
3×211 |
3×266 |
|
F2×D3 |
PN16 PN40 |
3×51 |
3×58 |
3×66 |
3×76 |
3×84 |
3×99 |
3×118 |
3×132 |
3×156 |
3.5×204 |
3.5×260 |
|
PN64 |
4×51 |
4×58 |
4×66 |
4×76 |
4×88 |
4×110 |
4×121 |
4.5×150 |
4.5×176 |
4.5×204 |
4.5×260 |
|