产品概述
气动薄膜三通调节阀由多弹簧薄膜执行机构和三通调节阀阀体组装而成。以气源(压缩空气)为动力接受工业信号(4~20mA)来对介质实行控制。采用圆筒型薄壁窗口形阀芯导向,不同于柱塞形阀芯的衬套导向。三通调节阀的性能就是(分流、合流),把流体介质通过三通阀分成二路流出,或者把两种流体经三通阀合并成一种流体的场合。广泛应用于精确控制气体、液体等介质的工艺参数,如压力、流量、温度、液位保持在给定值。
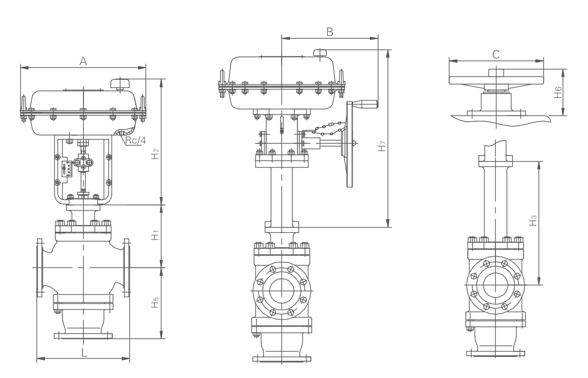
| 公称通径 DN(mm) | 25 | 32 | 40 | 50 | 65 | 80 | 100 | 125 | 150 | 200 | 250 | 300 | |
| L | PN16/25 | 185 | 200 | 220 | 250 | 275 | 300 | 350 | 410 | 450 | 550 | 670 | 770 |
| PN40 | 190 | 210 | 230 | 255 | 285 | 310 | 355 | 425 | 460 | 560 | 740 | 805 | |
| PN64 | 200 | 210 | 235 | 265 | 295 | 320 | 370 | 440 | 475 | 570 | 750 | 820 | |
| H | PN16/25 | 117 | 120 | 139 | 144 | 188 | 208 | 220 | 268 | 278 | 320 | 441 | 503 |
| PN40 | 124 | 128 | 145 | 150 | 195 | 220 | 230 | 280 | 290 | 335 | 465 | 528 | |
| PN64 | 130 | 135 | 155 | 170 | 205 | 240 | 255 | 295 | 310 | 360 | 480 | 550 | |
| H1 | 165 | 185 | 185 | 205 | 245 | 255 | 270 | 335 | 365 | 430 | 560 | 680 | |
| H2 | 298 | 298 | 298 | 298 | 380 | 380 | 380 | 510 | 510 | 510 | 650 | 650 | |
| H3 | 177 | 177 | 177 | 177 | 182 | 182 | 182 | 182 | 182 | 218 | 218 | 218 | |
| L1 | 280 | 280 | 280 | 280 | 350 | 350 | 350 | 475 | 475 | 475 | 560 | 560 | |
| A | 282 | 282 | 282 | 282 | 360 | 360 | 360 | 470 | 470 | 470 | 580 | 580 | |
| C | 220 | 220 | 220 | 220 | 270 | 270 | 270 | 320 | 320 | 320 | 400 | 400 | |