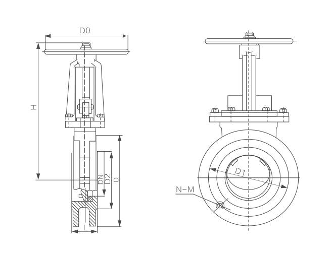
产品概述
PZ73TC薄型陶瓷排渣浆液阀适用于矿山、造纸、化工等各类有磨损的干粉尘、水、蒸汽等介质在管道上作启闭之用。适用于发电厂干灰系统、仓泵出料输送本阀密封性能好,耐磨性强,启动负荷小,卡灰及积灰现象少,使用寿命长。
手液动陶瓷排渣浆液阀门属于薄型工程陶瓷排渣液浆阀门的一种,它是专门针对固液两相流工况介质管道而设计制造的,不仅采用了增韧型工程陶瓷来作为关断以及抗节流冲刷的主要材料。而且同时设计有以抗节流冲刷为目的的结构形式,满足该类介质管道的关断或关断+节流的双重使用功能。经多年的实践证明,与普通排渣液浆阀相比使用寿命得到大幅提高。手液动陶瓷排渣浆液阀门用于因工作场地狭小或者安装方位等不适合手轮启闭阀位的安装。
产品特点
1、密封面材料:结构陶瓷或超硬表面合金材料二种。
2、适用于煤渣,灰渣等气、固混合介质,闸板、阀座和流道部位采用了结构陶瓷材料制造,耐磨损,长寿命。
3、密封性能优越,并可进行密封面修复。
4、进口阀座可作刮灰板,即使在落灰情况下也关闭自如。
5、阀体腔体结构彻底避免了卡阻、积灰的问题。
6、驱动方式:手动、气动和电动等。