伸缩蝶阀是蝶阀系列的特殊类,是可以一阀两用的阀门,它集伸缩器和法兰式蝶阀于一体。该阀能在一定范围内可轴向伸缩,有利于管道热胀冷缩、消除管道振动及在一定角度范围内克服管道对接不同轴而产生的偏移,方便阀门管路的安装于拆卸。本阀适用于食品、饮料、医药、纯净管路、工业环保、水处理、建筑、给排水、管路作为介质的接通启闭或调节流量之用。
产品特点
1、密封部位可调节更换,密封性能可靠。
2、结构新颖,设计灵活,重量轻,省力,启闭迅速。
3、伸缩蝶阀不仅能补偿管道温差缩产生的热胀冷缩的功能,还能为维修阀门安装更换提供方便。
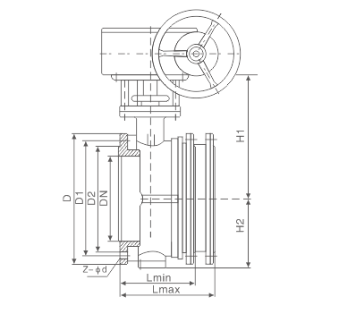
主要外形尺寸
|
公称压力 |
DN |
Lmax |
L0 |
Lmin |
D |
D1 |
D2 |
Z-Φd |
H1 |
H2 |
|
PN1.0MPa
|
100 |
196 |
190 |
164 |
220 |
180 |
156 |
8-19 |
120 |
239 |
|
150 |
227 |
210 |
192 |
285 |
240 |
211 |
8-23 |
124 |
278 |
|
|
200 |
247 |
230 |
212 |
340 |
295 |
266 |
8-23 |
170 |
295 |
|
|
250 |
267 |
250 |
230 |
395 |
350 |
319 |
12-23 |
198 |
357 |
|
|
300 |
286 |
270 |
252 |
445 |
400 |
370 |
12-23 |
218 |
353 |
|
|
350 |
310 |
290 |
270 |
505 |
460 |
429 |
16-23 |
253 |
427 |
|
|
400 |
332 |
310 |
290 |
565 |
515 |
480 |
16-28 |
285 |
465 |
|
|
450 |
352 |
330 |
310 |
615 |
565 |
530 |
20-28 |
310 |
490 |
|
|
500 |
375 |
350 |
330 |
670 |
620 |
582 |
20-28 |
340 |
520 |
|
|
600 |
420 |
390 |
360 |
780 |
725 |
682 |
20-31 |
397 |
610 |
|
|
700 |
465 |
430 |
395 |
895 |
840 |
794 |
24-31 |
467 |
690 |
|
|
800 |
510 |
470 |
430 |
1015 |
950 |
901 |
24-34 |
530 |
765 |
|
|
900 |
555 |
510 |
465 |
1115 |
1050 |
1001 |
28-34 |
595 |
830 |
|
|
1000 |
600 |
550 |
500 |
1230 |
1160 |
1112 |
28-37 |
670 |
910 |
|
|
1200 |
690 |
630 |
570 |
1455 |
1380 |
1328 |
32-40 |
785 |
1030 |
|
|
1400 |
780 |
710 |
640 |
1675 |
1590 |
1530 |
36-43 |
835 |
1180 |