国标旋启式止回阀采用内装摇臂旋启式结构,阀门的所有启闭件都装于阀体内部,不穿透阀体,除了中法兰部位用密封垫片和密封环外,整体没有外漏点,杜绝阀门外泄的可能。摇臂和阀瓣连接处采用球面连接的结构,使得阀瓣在360度范围内有一定的自由度,有适当的微量位置补偿。广泛应用于化工、冶金、制药等多个领域。

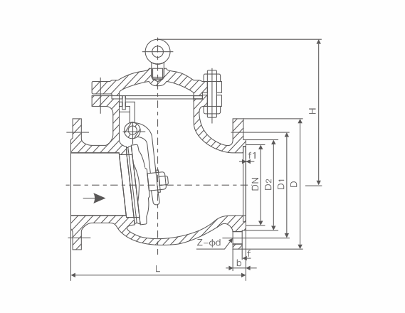
主要外形连接尺寸
| 公称通径 DN | 主要外形尺寸和连接尺寸 | ||||||
| L | D | D1 | D2 | b | Z-d | H | |
| H44H-16C H44W-16C H44W-16P H44W-16R H44W-16I | |||||||
| 25 | 160 | 115 | 85 | 65 | 16 | 4-14 | 100 |
| 32 | 180 | 135 | 100 | 78 | 16 | 4-18 | 105 |
| 40 | 200 | 145 | 100 | 85 | 16 | 4-18 | 115 |
| 50 | 230 | 160 | 125 | 100 | 16 | 4-18 | 135 |
| 65 | 290 | 180 | 145 | 120 | 18 | 4-18 | 142 |
| 80 | 310 | 195 | 160 | 135 | 20 | 8-18 | 165 |
| 100 | 350 | 215 | 180 | 155 | 20 | 8-18 | 180 |
| 125 | 400 | 245 | 210 | 185 | 22 | 8-18 | 210 |
| 150 | 480 | 280 | 240 | 210 | 24 | 8-23 | 233 |
| 200 | 500 | 335 | 295 | 265 | 26 | 12-23 | 304 |
| 250 | 550 | 405 | 355 | 320 | 30 | 12-25 | 348 |
| 300 | 650 | 460 | 410 | 375 | 30 | 12-25 | 390 |
| 350 | 750 | 520 | 470 | 435 | 34 | 16-25 | 430 |
| 400 | 850 | 580 | 525 | 485 | 36 | 16-30 | 468 |
| H44H-25 H44W-25 H44W-25P H44W-25R H44W-25I | |||||||
| 25 | 160 | 115 | 85 | 65 | 16 | 4-14 | 100 |
| 32 | 180 | 135 | 100 | 78 | 16 | 4-18 | 105 |
| 40 | 200 | 145 | 110 | 85 | 16 | 4-18 | 115 |
| 50 | 230 | 160 | 125 | 100 | 20 | 4-18 | 160 |
| 65 | 290 | 180 | 145 | 120 | 22 | 8-18 | 175 |
| 80 | 310 | 195 | 160 | 135 | 22 | 8-18 | 185 |
| 100 | 350 | 230 | 190 | 160 | 24 | 8-23 | 220 |
| 125 | 400 | 270 | 220 | 188 | 28 | 8-25 | 248 |
| 150 | 480 | 300 | 250 | 218 | 30 | 8-25 | 276 |
| 200 | 550 | 360 | 310 | 278 | 34 | 12-25 | 350 |
| 250 | 650 | 425 | 370 | 332 | 36 | 12-30 | 410 |
| 300 | 750 | 485 | 430 | 390 | 40 | 16-30 | 430 |
| 350 | 850 | 550 | 490 | 448 | 44 | 16-34 | 518 |
| 400 | 950 | 610 | 550 | 505 | 48 | 16-34 | 560 |