产品概述
电动截止阀的启闭件是塞形的阀瓣,密封面呈平面或锥面,阀瓣沿流体的中心线作直线运动。该阀只适用于全开和全关,不允许作调节和节流。被广泛用于公称压力在PN1.6~16MPa,工作温度-29~550℃的环保、石油、化工、电力行业等各种场合的管路上,起到切断流体的作用。
产品特点
1、电动截止阀产品设计制造按标准,结构合理,密封可靠,性能优良,造型美观。
2、阀瓣、阀座密封面用铁基合金堆焊或司太立钴基质合金堆焊而成。
3、电动截止阀阀杆经调质及表面氮化处理,有良好的抗腐蚀性和抗擦伤性。
4、倒密封采用螺纹连接密封或本体堆焊奥氏体不锈钢而成,密封可靠。
5、配有DZW系列多回转式电动装置,也可按用户要求选配电动装置。
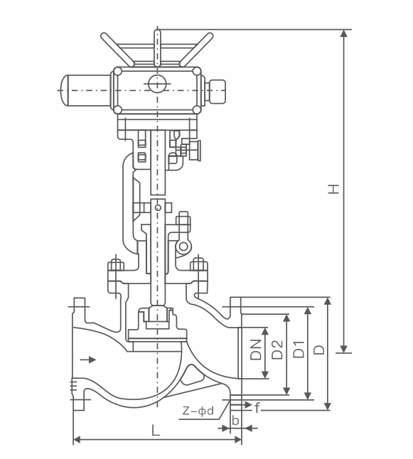
主要外形连接尺寸 PN 1.6MPa
|
公称通径DN(mm) |
L |
D |
D1 |
D2 |
b |
f |
Z-φd |
H |
D0 |
|
10 |
130 |
90 |
60 |
40 |
14 |
2 |
4-14 |
198 |
120 |
|
15 |
130 |
95 |
65 |
45 |
14 |
2 |
4-14 |
218 |
120 |
|
20 |
150 |
105 |
75 |
55 |
14 |
2 |
4-14 |
258 |
140 |
|
25 |
160 |
115 |
85 |
65 |
14 |
2 |
4-14 |
275 |
160 |
|
32 |
180 |
135 |
100 |
78 |
15 |
2 |
4-18 |
280 |
180 |
|
40 |
200 |
145 |
110 |
85 |
16 |
2 |
4-18 |
330 |
200 |
|
50 |
230 |
160 |
125 |
100 |
16 |
3 |
4-18 |
350 |
240 |
|
65 |
290 |
180 |
145 |
120 |
18 |
3 |
4-18 |
400 |
280 |
|
80 |
310 |
195 |
160 |
135 |
20 |
3 |
8-18 |
355 |
280 |
|
100 |
350 |
215 |
180 |
155 |
20 |
3 |
8-18 |
415 |
320 |
|
125 |
400 |
245 |
210 |
185 |
22 |
3 |
8-18 |
460 |
360 |
|
150 |
480 |
280 |
240 |
210 |
24 |
3 |
8-23 |
510 |
400 |
|
200 |
600 |
335 |
295 |
205 |
26 |
3 |
12-23 |
710 |
400 |
|
250 |
650 |
405 |
355 |
320 |
30 |
3 |
12-23 |
789 |
450 |
|
300 |
750 |
460 |
410 |
375 |
30 |
3 |
12-23 |
925 |
500 |
主要外形连接尺寸 PN2.5MPa
|
公称通径DN(mm) |
L |
D |
D1 |
D2 |
b |
f |
Z-φd |
H |
D0 |
电动装置 |
|
15 |
130 |
95 |
65 |
45 |
16 |
2 |
4-14 |
- |
120 |
- |
|
20 |
150 |
105 |
75 |
55 |
16 |
2 |
4-14 |
- |
140 |
- |
|
25 |
160 |
115 |
85 |
65 |
16 |
2 |
4-14 |
- |
160 |
- |
|
32 |
180 |
135 |
100 |
78 |
18 |
2 |
4-18 |
- |
180 |
- |
|
40 |
200 |
145 |
110 |
85 |
18 |
3 |
4-18 |
- |
200 |
- |
|
50 |
230 |
160 |
125 |
100 |
20 |
3 |
4-18 |
645 |
240 |
DZW101 |
|
65 |
290 |
180 |
145 |
120 |
22 |
3 |
8-18 |
690 |
280 |
DZW101 |
|
80 |
310 |
195 |
160 |
135 |
22 |
3 |
8-18 |
715 |
280 |
DZW151 |
|
100 |
350 |
230 |
190 |
160 |
24 |
3 |
8-23 |
770 |
320 |
DZW20 |
|
125 |
400 |
270 |
220 |
188 |
28 |
3 |
8-25 |
780 |
360 |
DZW30 |
|
150 |
480 |
300 |
250 |
218 |
30 |
3 |
8-25 |
875 |
400 |
DZW45 |
|
200 |
600 |
360 |
310 |
278 |
34 |
3 |
12-25 |
967 |
400 |
DZW60 |
|
250 |
650 |
425 |
370 |
332 |
36 |
3 |
12-30 |
- |
450 |
- |
|
300 |
750 |
485 |
430 |
390 |
40 |
4 |
12-30 |
- |
500 |
- |