VB3000电动二通阀是中央空调风机盘管的配套产品,由驱动器与阀体两部分组成,驱动器由一个同步电机驱动,具备弹簧复位及手动开阀杠杆操纵功能。电动阀可与温控器配套使用,由温控器控制电动阀电机,使阀门开或关,实现管道冷水或热水的通或断,再通过风机盘管送风,以实现温度的自动调节。
产品特点
1、用于控制冷水或热水空调系统管道的开启或关闭,达到控制室温之目的。
2、驱动器由单项磁滞同步马达驱动,阀门弹簧复位,阀门不工作时处于常闭状态。
3、开启阀门,冷冻水或热水进入风机盘管,为房间提供冷气或暖气,使室温始终保持在温控设定的温度范围内。
4、电动阀的驱动器与阀门采用螺纹连接方式,可在阀门安装之后,再安装驱动器。
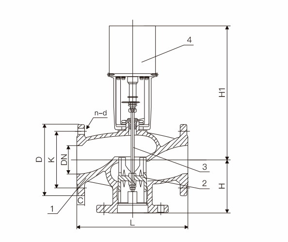
主要外形尺寸
|
阀体⼝径 |
DN80 |
DN100 |
DN125 |
DN150 |
DN200 |
DN250 |
DN300 |
DN350 |
|
⻓度(L) |
290 |
320 |
340 |
375 |
395 |
460 |
500 |
570 |
|
⾼度(H1) |
600 |
620 |
630 |
650 |
830 |
850 |
950 |
980 |
|
法兰孔数(n) |
8 |
8 |
8 |
8 |
12 |
12 |
12 |
12 |